产品中心

电力系统二次保护继电器

JDJS-1跳闸(合闸)回路监视继电器
主要用于直流或交流操作的各种自动控制线路中,可对断路器分闸(合闸)回路进行监视。对控制电源消失、分闸(合闸)线圈的失效及引线故障、断路器辅助接点故障、继电器本身的故障进行报警。
产品特色
  • 断路器回路监视与全故障报警。
  • 完全与DJS-1 继电器兼容。
  • 快速导轨安装结构,适合各种导轨安装。
  • 螺钉压接式端子。
JDJS-1跳闸(合闸)回路监视继电器
产品(型号)说明



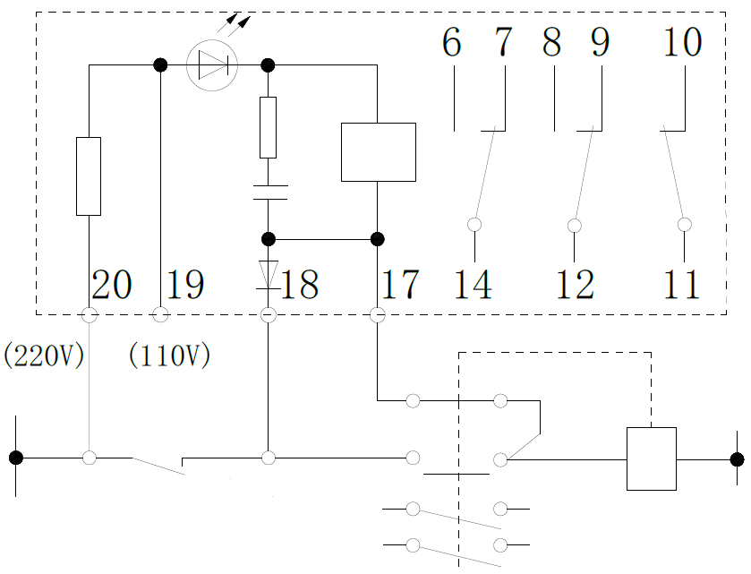
JDJS-1跳闸(合闸)回路监视继电器(图1)

JDJS-1跳闸(合闸)回路监视继电器(图2)

JDJS-1跳闸(合闸)回路监视继电器(图3)


产品优势

○ 主要用于直流或交流操作的各种自动控制线路中,可对断路器分闸(合闸)回路进行监视。对控制电源消失、分闸(合闸)线圈的失效及引线故障、断路器辅助接点故障、继电器本身的故障进行报警。

○ 完全与DJS-1 继电器兼容。

○ 快速导轨安装结构,适合各种导轨安装。

○ 螺钉压接式端子。


*产品参数以实际产品说明书为准。
应用安装

JDJS-1-jiexian.png

技术参数

JDJS-1-canshu.png

资料下载
文件名 产品类型 下载
JDJS-1跳闸(合闸)回路监视继电器 PDF文档 产品手册 文档下载