1)继电器的功能见表

2)JC-7/11、JC-7/12 为普通冲击继电器。其功能为:
a.电流突增动作;
b.电流突减返回;
c.手动复归。
3) JC-7/21、JC-7/22 在具有JC-7/11、JC-7/12 功能的基础上,还增加了延时功能,即:将端子⑥、⑧短接可实现动作后延时自动复归;将端子④、⑥短接可实现继电器延时动作,延时过程中若信号已消失继电器将结束延时,不再动作。
○ 继电器的主要特点是:抗纹波干扰能力强,灯丝的冷态电阻与热态电阻差引起的电流突减不会使继电器误返回。
原理
继电器的原理方框图见图1,原理图见图5。
当流过采样回路的直流电流突然增加时,采样微分回路将这一信号转变为一正的尖脉冲,与基准电位比较,条件满足时,比较器发出一正的方脉冲,触发器翻转并保持,出口继电器动作。

当流过采样回路的直流电流突然减小时,采样微分回路将这一信号转变为一负的尖脉冲与基准电位比较,条件满足时,比较回路发出一负的方脉冲,触发器翻转并保持,出口继电器返回。
继电器的延时自动复归功能是:当触发器翻转,出口继电器动作后,延时回路开始延时,到预定时间后,向触发器发出一复归信号,继电器返回。
继电器的延时动作功能:当第一级触发器翻转后,延时回路开始延时,到达预定时间后向第二级触发器发出一动作脉冲,出口继电器动作。
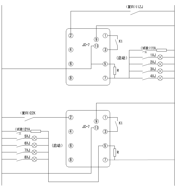
继电器的端子接线图

用户安装调试
1)用户调试:用户在调试时,按图3 接线。

调试步骤如下:
a. 冲击动作与返回电流
合S1、S2,调R2 使毫安表的读数为继电器的冲击动作电流,拉合S2 五次,继电器应能可靠动作及返回。
b. 最大热稳定电流
合S3,调R1 使安培表的读数为继电器的最大稳定电流,拉合S2 五次,继电器应能可靠动作及返回,打开S3。
2)用户安装
用户在安装时,按图4 接线。

1.1 额定直流电流:220、110、48V。
1.2 动作及返回电流见表1。
1.3 最大长期稳定电流见表。
1.4 延时时间:2-10s,连续可调。
1.5 动作可靠性
a. 对动作电流为0.1A 的继电器,同时闭合20 路白炽灯负载(总电流约2A),继电器应能可靠动作并保持。b. 当直流电源纹波达10%,且稳定电流为继电器的最大稳定电流时,接通或断开继电器的动作电流,继电器仍应可靠动作及返回。
1.6 触点容量
在电压不大于250V,电流不大于2A,时间常数为5±0.75ms 的直流有感负荷回路中,继电器的断开容量为50W。在此负荷下,继电器能可靠动作及返回5000 次。
1.7 机械寿命
触点不加负载时,继电器应能可靠动作及返回104 次。
1.8 绝缘性能
1.8.1 绝缘电阻:继电器各带电电路对外露非带电金属零件之间,用开路电压为500V 的测试仪器测定其绝缘电阻不小于300MΩ。
1.8.2 介质强度:继电器各带电电路对外露非带电金属零件之间,应能承受频率为50Hz 的交流检验电压2KV,历时1min 的检验。
1.8.3 冲击电压:继电器各带电电路对外露非带电金属零件之间,应能承受标准雷电波的短时冲击电压检验,检验电压峰值为5KV。
1.9 机械性能
a. 工作条件:能承受严酷等级为1 级的振动响应、冲击响应检验。
b. 运输条件:能承受严酷等级为1 级的振动耐久、冲击耐久、碰撞检验。
1.10 环境条件
a. 环境温度
工作:-10~+50℃;24h 内平均温度不高于35℃;
贮运:-25~+70℃;在极限值下不施加激励量,继电器不出现不可逆变化,温度恢复后继电器应能正常工作。
b. 相对湿度:最湿月的平均最大相对湿度为90%,同时该月的月平均温度为25℃,且表面无凝露,最高温度为+40℃,平均最大相对湿度不超过50%。
c.大气压力:80~110kPa (海拔高度相当于2km 以下)。
结构
采用标准的A11 壳体,插拔式结构,便于更换和维修。结构代号为A11K,A11H,A11Q 外形尺寸及安装开孔尺寸见《附录》。

| 文件名 | 产品类型 | 下载 |
|---|---|---|
| JC-7型冲击继电器 PDF文档 | 产品手册 | 文档下载 |